卸下水循环模块
按以下信息卸下水循环模块。
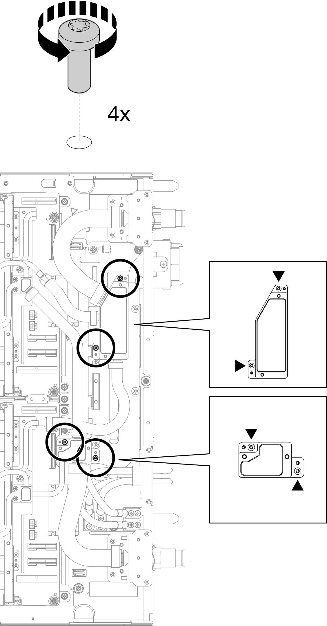
关于本任务
必备工具
适用于 PH 1、PH 2、T10、T20 和 T30 螺钉的螺丝刀
Waterloop Service Kit (SC750 V4) (维护套件中的水循环模块载板可重复使用,建议将其留在服务器运行的场所,以备将来更换时使用。)
Up VR Gap Pad Kit (SC750 V4)
MID E3.S TOP Gap Pad (SC750 V4) (如果装有 E3.S 中间硬盘)。
MID E3.S BOT Gap Pad (SC750 V4) (如果装有 E3.S 中间硬盘)。
Storage Gap Pad Kit (SC750 V4) (如果装有 E3.S 正面硬盘)。
Storage Gap Pad Kit (SC750 V4) (如果装有 E3.S 1T 双正面硬盘或 E3.S 2T 单正面硬盘)。
CX7 NDR200 Gap Pad (SC750 V4) (如果装有 ConnectX-7 NDR 200 适配器)。
CX7 Gap Pad (SC750 V4) (如果装有 ConnectX-7 NDR 400 适配器)。
S038


警告
此过程应佩戴护目装置。
S040


警告
此过程应佩戴保护手套。
S042


危险
危险
本产品中存在水或水溶液,因此会有触电危险。请避免用湿手或在有溅水的情况下操作或靠近带电设备。
观看操作过程
- 关于此过程的视频请见 YouTube。
过程
完成之后
如果要求您退回组件或可选设备,请按照所有包装说明进行操作,并使用装运时提供给您的所有包装材料。
提供反馈





















