Extracción del bucle de agua
Utilice esta información para extraer el bucle de agua.
Acerca de esta tarea
Destornillador para tornillos PH 1, PH 2, T10, T20 y T30
Waterloop Service Kit (SC750 V4) (El transportador de bucle de agua del Kit de servicio es reutilizable, se recomienda guardarlo en la instalación donde opera el servidor para futuras necesidades de sustitución).
Up VR Gap Pad Kit (SC750 V4)
MID E3.S TOP Gap Pad (SC750 V4) , si está instalada la unidad central E3.S.
MID E3.S BOT Gap Pad (SC750 V4) , si está instalada la unidad central E3.S.
Storage Gap Pad Kit (SC750 V4) , si está instalada la unidad frontal E3.S.
Storage Gap Pad Kit (SC750 V4) , si están instaladas las unidades frontales duales E3.S 1T o la unidad frontal única E3.S 2T.
CX7 NDR200 Gap Pad (SC750 V4) , si está instalado el adaptador ConnectX-7 NDR 200.
CX7 Gap Pad (SC750 V4) , si está instalado el adaptador ConnectX-7 NDR 400.



Lea Directrices de instalación y Lista de comprobación de inspección de seguridad para asegurarse de trabajar con seguridad.
Apague la bandeja DWC correspondiente en la que se va a realizar la tarea.
Desconecte todos los cables externos del alojamiento.
Utilice la fuerza adicional para desconectar los cables QSFP si están conectados a la solución.
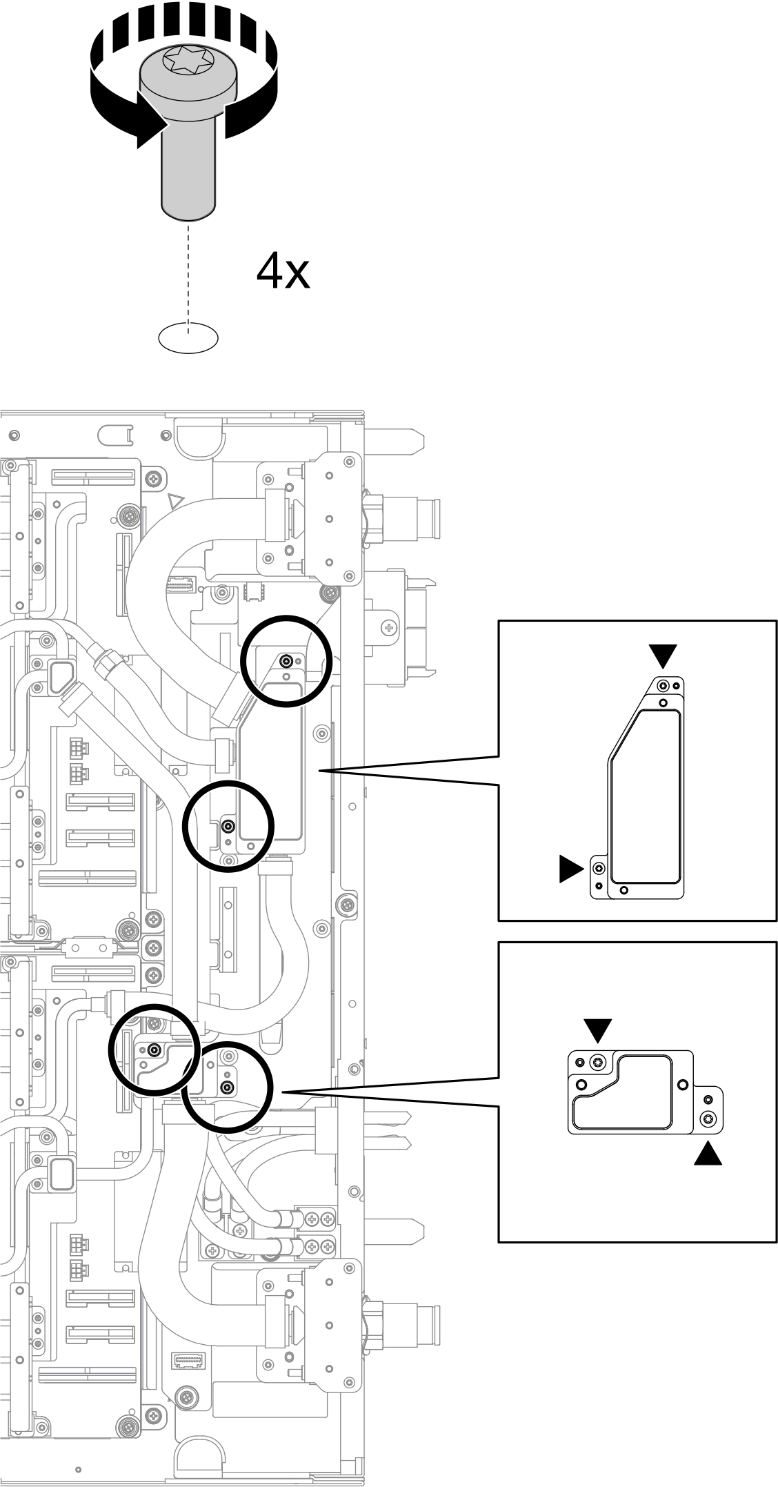
Para evitar dañar el bucle de agua, utilice siempre el transportador del bucle agua al quitar, instalar o doblar el bucle de agua.
Si no tiene disponible un destornillador de par, puede solicitar uno.
- Un video de este procedimiento está disponible en YouTube.
Procedimiento
Si se le indica que devuelva el componente o dispositivo opcional, siga todas las instrucciones del embalaje y utilice los materiales de embalaje para el envío que se le suministraron.





















