Entfernen des Wasserkreislaufs
Verwenden Sie diese Informationen, um den Wasserkreislauf zu entfernen.
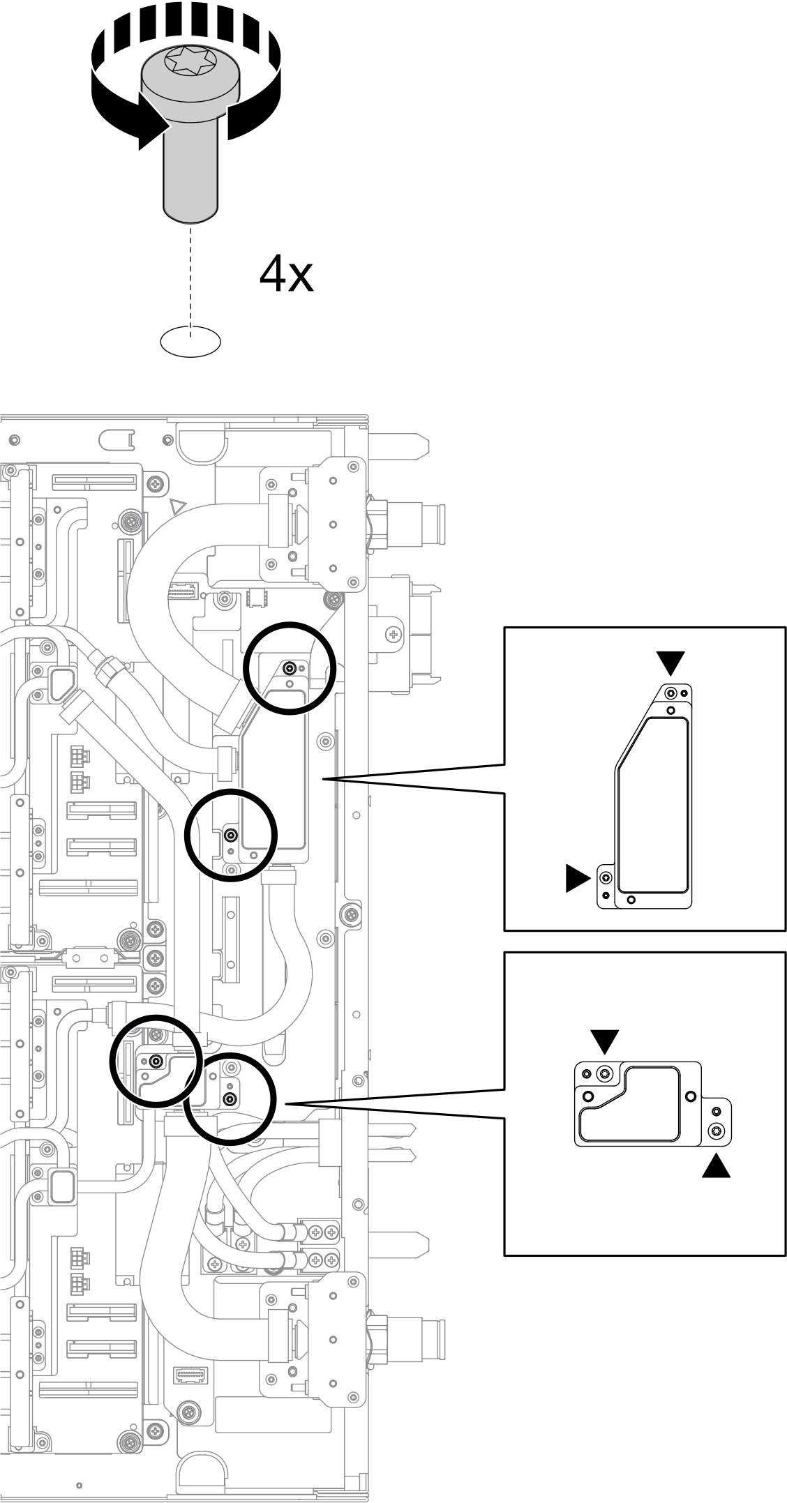
Zu dieser Aufgabe
Schraubendreher für PH 1-, PH 2-, T10-, T20- und T30-Schrauben
Waterloop Service Kit (SC750 V4) (Die Wasserkreislaufhalterung im Service-Kit ist wiederverwendbar. Es wird empfohlen, sie in der Einrichtung aufzubewahren, in der der Server betrieben wird, um sie bei Bedarf ersetzen zu können.)
Up VR Gap Pad Kit (SC750 V4)
MID E3.S TOP Gap Pad (SC750 V4) , wenn das mittlere E3.S-Laufwerk installiert ist.
MID E3.S BOT Gap Pad (SC750 V4) , wenn das mittlere E3.S-Laufwerk installiert ist.
Storage Gap Pad Kit (SC750 V4) , wenn das vordere E3.S-Laufwerk installiert ist.
Storage Gap Pad Kit (SC750 V4) , wenn E3.S 1T-Doppellaufwerke an der Vorderseite oder E3.S 2T-Einzellaufwerke an der Vorderseite installiert sind.
CX7 NDR200 Gap Pad (SC750 V4) , wenn der ConnectX-7 NDR 200-Adapter installiert ist.
CX7 Gap Pad (SC750 V4) , wenn der ConnectX-7 NDR 400-Adapter installiert ist.



Lesen Sie Installationsrichtlinien und Sicherheitsprüfungscheckliste, um sicherzustellen, dass Sie sicher arbeiten.
Schalten Sie den entsprechenden DWC Einbaurahmen aus, auf dem Sie die Aufgabe ausführen werden.
Ziehen Sie alle externen Kabel vom Gehäuse ab.
Ziehen Sie die QSFP-Kabel von der Lösung ab. Dies erfordert zusätzliche Kraft.
Um die Beschädigung des Wasserkreislaufs zu vermeiden, verwenden Sie beim Entfernen, Installieren oder Falten des Wasserkreislaufs immer die Wasserkreislaufhalterung.
Falls Sie keinen Drehmomentschraubendreher besitzen, wird auf Anfrage einer zur Verfügung gestellt.
- Ein Video zu diesem Verfahren ist auf YouTube.
Vorgehensweise
Wenn Sie angewiesen werden, die Komponente oder die Zusatzeinrichtung einzusenden, befolgen Sie die Verpackungsanweisungen und verwenden Sie ggf. das mitgelieferte Verpackungsmaterial für den Transport.





















