Retrait de la boucle d'eau
Les informations suivantes vous indiquent comment retirer la boucle d'eau.
À propos de cette tâche
Tournevis pour vis PH 1, PH 2, T10, T20 et T30
Waterloop Service Kit (SC750 V4) (Le support de la boucle d’eau contenu dans le kit de maintenance est réutilisable. Nous vous recommandons de le conserver au même endroit où le serveur est installé en vue de futurs remplacements.)
Up VR Gap Pad Kit (SC750 V4)
MID E3.S TOP Gap Pad (SC750 V4) , si une unité E3.S médiane est installée.
MID E3.S BOT Gap Pad (SC750 V4) , si une unité E3.S médiane est installée.
Storage Gap Pad Kit (SC750 V4) , si une unité E3.S avant est installée.
Storage Gap Pad Kit (SC750 V4) , si des unités E3.S 1T doubles avant ou une unité E3.S 2T simple avant sont installées/est installée.
CX7 NDR200 Gap Pad (SC750 V4) , si un adaptateur ConnectX-7 NDR 200 est installé.
CX7 Gap Pad (SC750 V4) , si un adaptateur ConnectX-7 NDR 400 est installé.



Lisez Conseils d’installation et Liste de contrôle d’inspection de sécurité pour vous assurer que vous travaillez en toute sécurité.
Mettez hors tension le plateau DWC correspondant sur lequel vous allez exécuter la tâche.
Débranchez tous les câbles externes du boîtier.
Exercez une force supplémentaire pour déconnecter les câbles QSFP éventuellement connectés à la solution.
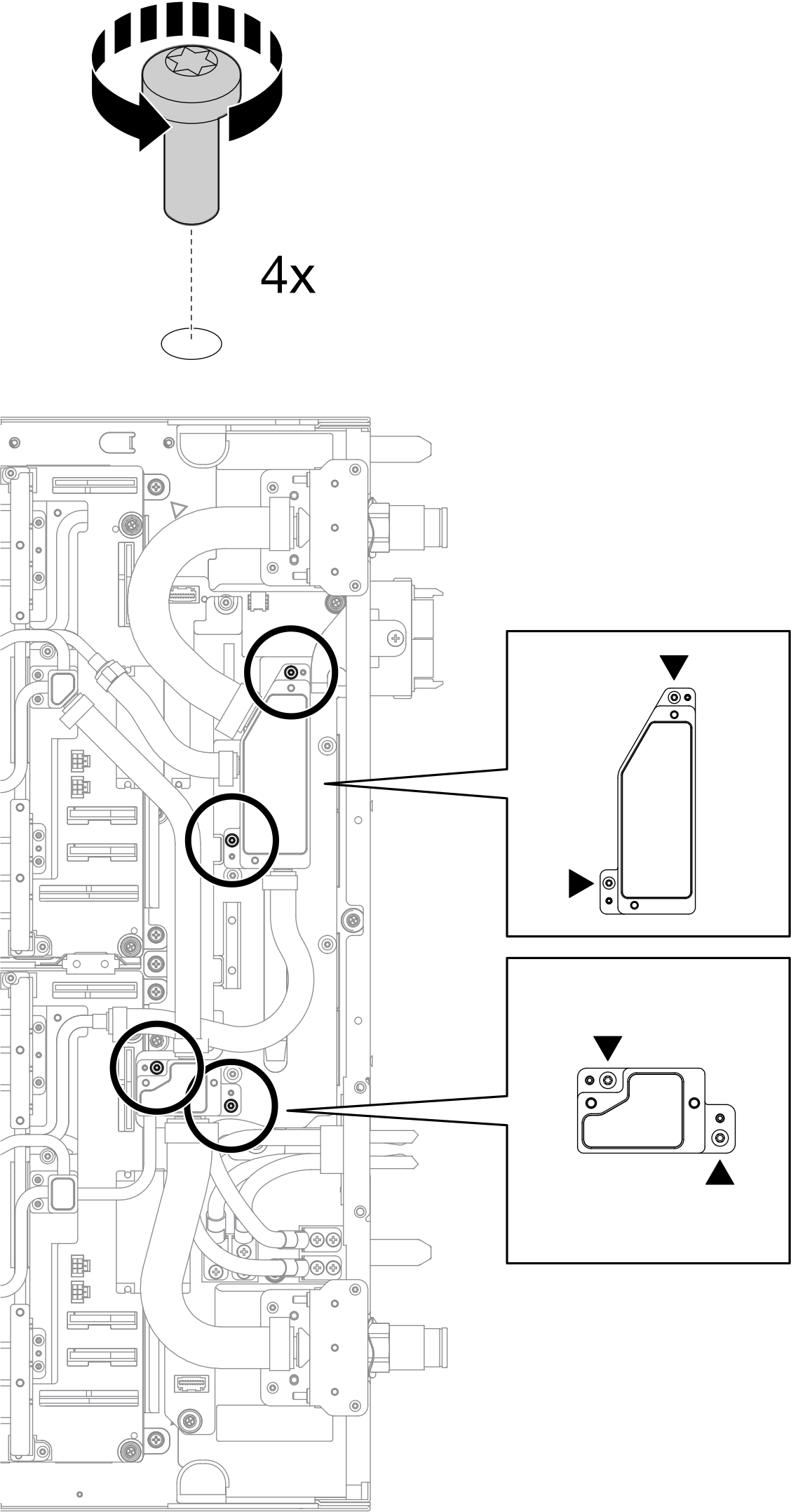
Pour éviter d'endommager la boucle d'eau, utilisez toujours le support de boucle d'eau lorsque vous retirez, installez ou pliez la boucle d'eau.
Un tournevis dynamométrique est disponible sur demande si vous n’en avez pas à portée de main.
- Une vidéo de cette procédure est disponible sur YouTube.
Procédure
Si vous devez renvoyer le composant ou le périphérique en option, suivez les instructions d’emballage et utilisez les matériaux que vous avez reçus pour l’emballer.





















