ウォーター・ループの取り外し
ウォーター・ループを取り外すには、以下の情報を参照してください。
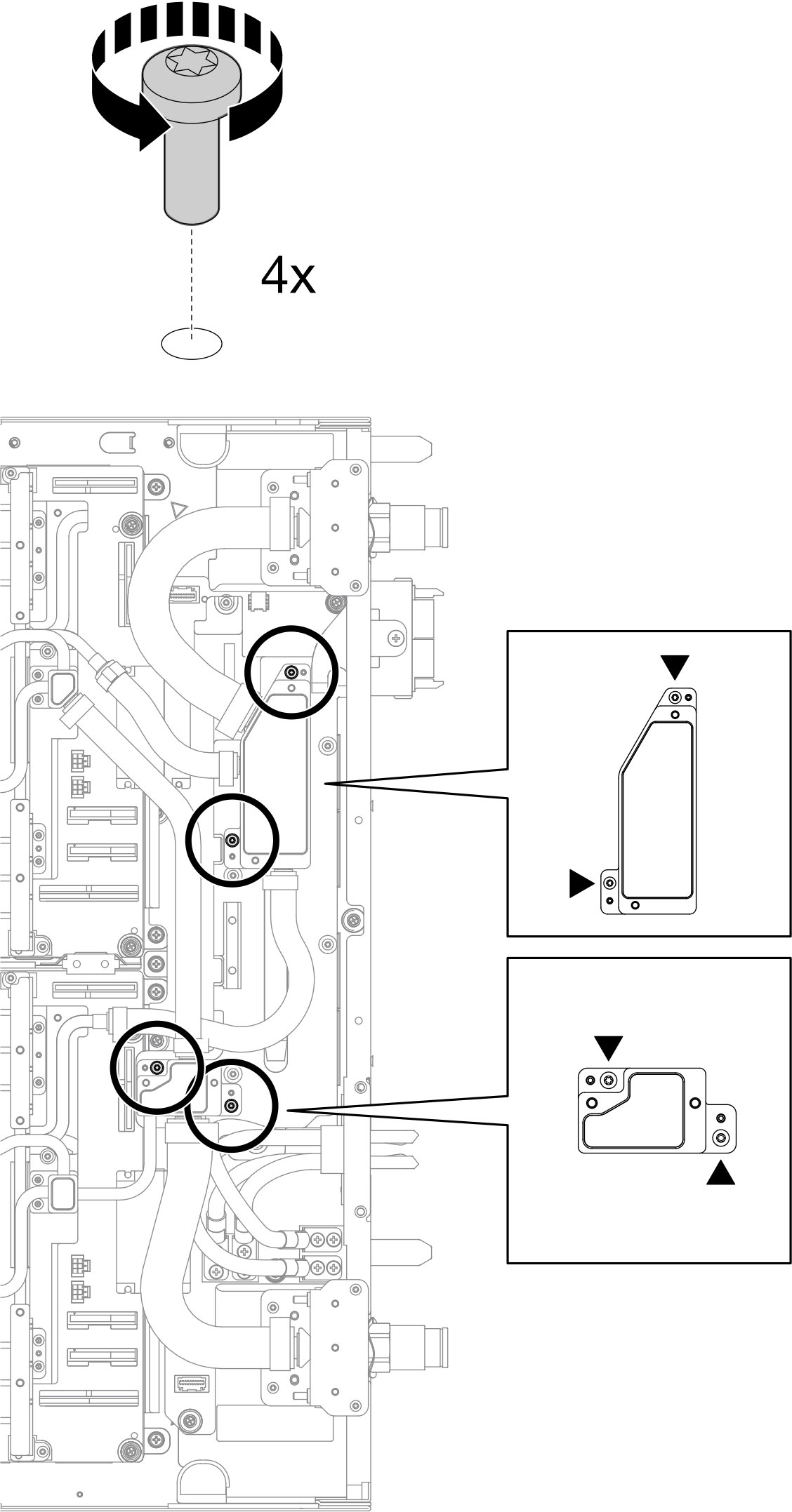
このタスクについて
PH1、PH2、T10、T20、および T30 ねじ用ドライバー
Waterloop Service Kit (SC750 V4) (サービス・キット内のウォーター・ループ・キャリアは再使用可能です。今後の交換のニーズに備えて、サーバーが稼働する施設で保管することをお勧めします。)
Up VR Gap Pad Kit (SC750 V4)
MID E3.S TOP Gap Pad (SC750 V4) (E3.S 中央ドライブが取り付けられている場合)
MID E3.S BOT Gap Pad (SC750 V4) (E3.S 中央ドライブが取り付けられている場合)
Storage Gap Pad Kit (SC750 V4) (E3.S 前面ドライブが取り付けられている場合)
Storage Gap Pad Kit (SC750 V4) (E3.S 1T デュアル前面ドライブまたは E3.S 2T シングル前面ドライブが取り付けられている場合)
CX7 NDR200 Gap Pad (SC750 V4) (ConnectX-7 NDR 200 アダプターが取り付けられている場合)
CX7 Gap Pad (SC750 V4) (ConnectX-7 NDR 400 アダプターが取り付けられている場合)



安全に作業を行うために、取り付けのガイドラインおよび 安全検査のチェックリストをお読みください。
タスクを実行しようとしている対応する DWC トレイの電源をオフにします。
エンクロージャーからすべての外部ケーブルを切り離します。
QSFP ケーブルがソリューションに接続されている場合、余分な力をかけてケーブルを取り外します。
ウォーター・ループの損傷を避けるために、ウォーター・ループの取り外し、取り付け、または折り畳みを行うときは、必ずウォーター・ループ・キャリアを使用してください。
トルク・ドライバーが手元にない場合はリクエストすることができます。
- この手順を説明した動画については、YouTube をご覧ください。
手順
コンポーネントまたはオプション装置を返却するよう指示された場合は、すべての梱包上の指示に従い、提供された配送用の梱包材がある場合はそれを使用してください。





















