프로세서 제거
이 작업에는 조립된 프로세서 제거를 위한 지시사항이 있습니다. 이 작업에는 Torx T30 드라이버가 필요합니다.
이 작업 정보
S038


경고
이 절차에는 눈 보호 장비를 착용해야 합니다.
S040


경고
이 절차에는 보호 장갑을 착용해야 합니다.
S042


위험
위험
본 제품에 들어있는 물이나 수용액으로 인해 감전될 위험이 있습니다. 손이 젖은 경우 또는 물이 흐른 경우에는 전류가 흐르는 장비나 그 근처에서 작업하지 마십시오.
주의
작업을 수행하려는 해당 DWC 트레이의 전원을 끄십시오.
엔클로저에서 외부 케이블을 모두 분리하십시오.
QSFP 케이블이 솔루션에 연결되어 있다면 추가로 분리하십시오.
각 프로세서 소켓에는 항상 덮개가 있어야 합니다. 프로세서를 제거하거나 설치하는 경우에는 덮개로 빈 프로세서 소켓을 보호하십시오.
프로세서 소켓 또는 프로세서 접촉면을 만지지 마십시오. 프로세서 소켓 접촉면은 매우 약하고 쉽게 손상됩니다. 프로세서 접촉면에 오염 물질(예: 피부의 지방분)이 있으면 연결 장애가 발생할 수 있습니다.
프로세서 또는 워터 루프의 열전도 그리스가 무엇과도 접촉하지 않도록 하십시오. 표면에 접촉하면 열전도 그리스가 손상되어 비효율적입니다. 열전도 그리스는 프로세서 소켓의 전기 커넥터와 같은 구성 요소를 손상시킬 수 있습니다. 지시사항이 표시될 때까지 냉각판에서 그리스 덮개를 제거하지 마십시오.
새 프로세서를 설치하거나 프로세서를 교체하기 전에 시스템 펌웨어를 최신 수준으로 업데이트하십시오. 펌웨어 업데이트를 참조하십시오.
워터 루프의 손상을 방지하려면 워터 루프를 제거, 설치 또는 접을 때 항상 워터 루프 캐리어를 사용하십시오.
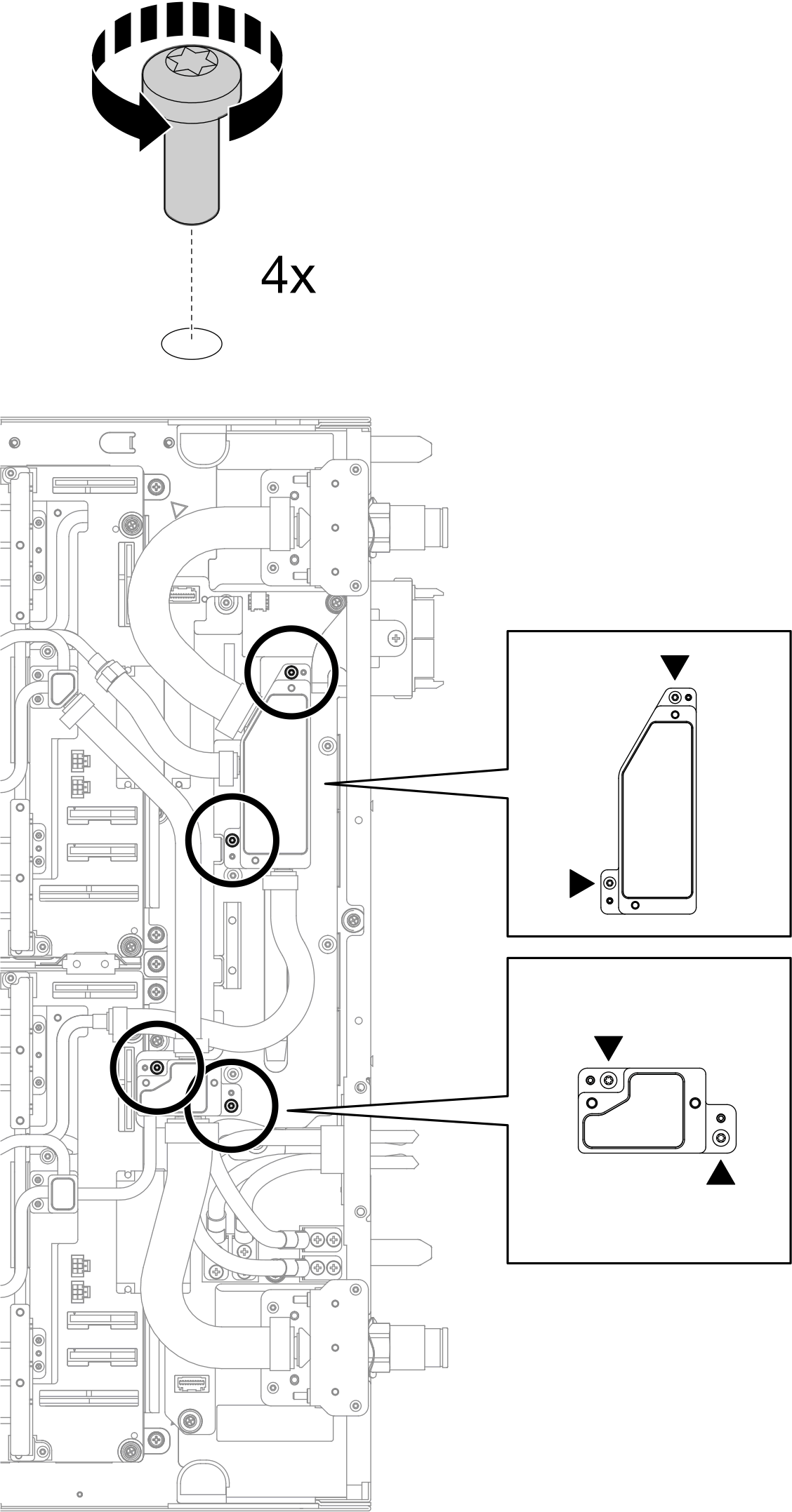
다음 그림은 시스템 보드에서 프로세서 소켓 및 메모리 모듈 커넥터의 위치를 보여줍니다.
그림 1. 프로세서 소켓 및 메모리 모듈 커넥터 위치


절차 보기
- 이 절차의 비디오는 YouTube에서 볼 수 있습니다.
절차
주
모델에 따라 일부 솔루션은 그림과 다소 차이가 있을 수 있습니다.
완료한 후
구성 요소 또는 옵션 장치를 반환하도록 지시받은 경우 모든 포장 지시사항을 따르고 제공되는 운송용 포장재를 사용하십시오.
피드백 보내기













